
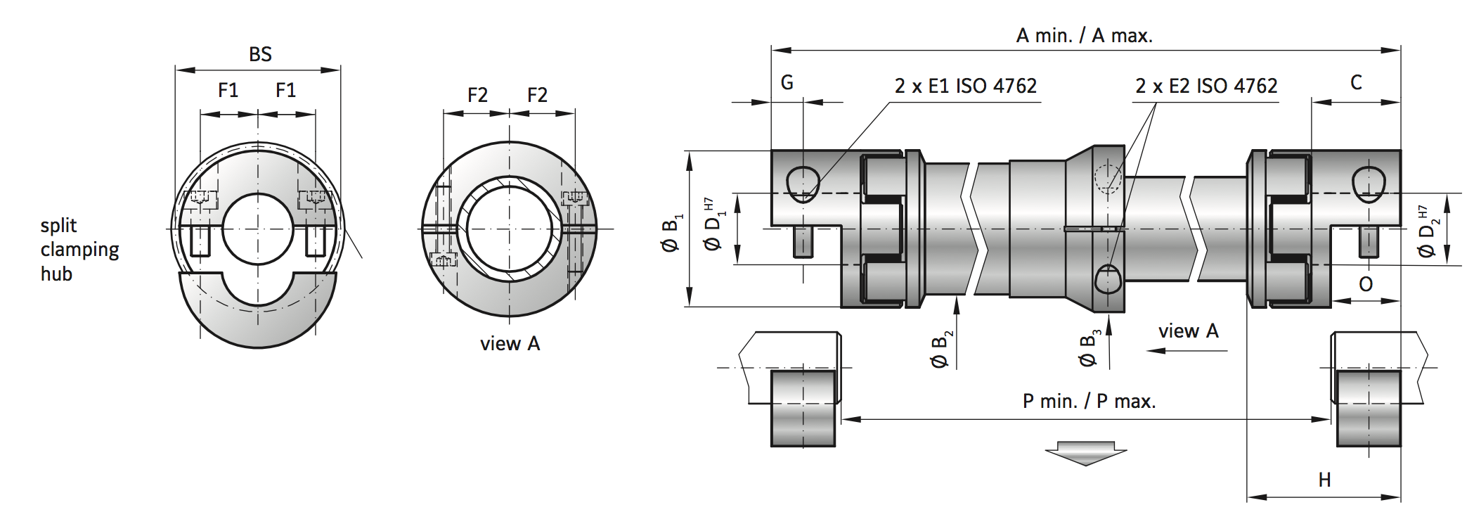
The EZV Variable length line shaft features two coupling hubs that are concentrically machined with curved jaws. Both coupling bodies are solidly joined to the tubes with a high level of concentricity.
Loosening the intermediate clamp allows for a variation of length and rotational orientation.
Clamping hubs are made from high strength aluminum while the intermediate tubes are precision machined aluminum
*Steel or Composite tubes are also available.
The elastomer inserts are precision molded, wear resistant,
and thermally stable polymer. They are available in types A or B.
Lengths of up to four meters (Adjustable) are standard. There is no backlash thanks to the frictional clamp connections. This is a low inertia solution with a vibration damping press-fit design.
*Speeds: To control the critical resonant speed please advise the application speed when ordering or inquiring about EZ Line Shafts.
VARIABLE LENGTH LINE SHAFT
WITH SPLIT CLAMPING HUBS
12.5 - 1,200 NM
*See above picture for reference
| Item | Length Amin | Length Amax | O.D. B1 | O.D. B2 | O.D. BS | Length C | I.D. D1D2 | Screw E1 | Screw Tq E1 | Screw E2 | Screw Tq E2 | Distance F1 | Distance F2 | Distance G | Length H | Inertia J1J2 | Inertia J3 | Shaft N | Length O | Rated Tq | Tor Stiff | Max TQ | Insert |
|---|---|---|---|---|---|---|---|---|---|---|---|---|---|---|---|---|---|---|---|---|---|---|---|
| EZV-10 | 150-2.057,5 | 185-4.000 | 32 | 28 | 32 | 20 | 5-16 | M4 | 4 | M4 | 4 | 10,5 | 15 | 7,5 | 34 | 0,01 | 0,075 | 26 | 16,6 | 12,5|16 | 321 | 25|32 | A|B |
| EZV-20 | 200-2.078 | 244-4.000 | 42 | 35 | 44,5 | 25 | 8-25 | M5 | 8 | M4 | 4,5 | 15,5 | 18 | 8,5 | 46 | 0,02 | 0,183 | 33 | 18,6 | 17|21 | 1530 | 34|42 | A|B |
| EZV-60 | 250-2.098,5 | 303-4.000 | 56 | 50 | 57 | 40 | 14-32 | M6 | 15 | M5 | 8 | 21 | 26 | 15 | 63 | 0,15 | 0,66 | 49 | 32 | 60|75 | 6632 | 120|150 | A|B |
| EZV-150 | 300-2.120 | 360-4.000 | 66,5 | 60 | 68 | 47 | 19-35 | M8 | 35 | M6 | 18 | 24 | 31 | 17,5 | 73 | 0,21 | 1,18 | 57 | 37 | 160|200 | 11810 | 320|400 | A|B |
| EZV-300 | 350-2.140 | 420-4.000 | 82 | 80 | 85 | 55 | 19-45 | M10 | 70 | M8 | 35 | 29 | 41 | 20 | 86 | 1,02 | 2,48 | 67 | 42 | 325|405 | 20230 | 650|810 | A|B |
| EZV-450 | 400-2.156 | 488-4.000 | 102 | 90 | 105 | 65 | 24-60 | M12 | 120 | M10 | 70 | 38 | 45 | 25 | 99 | 2,3 | 10,6 | 78 | 52 | 530|660 | 65340 | 1060|1350 | A|B |
| EZV-800 | 480-2.190 | 580-4.000 | 136,5 | 120 | 158 | 79 | 35-80 | M16 | 290 | M12 | 120 | 50,5 | 65 | 30 | 125 | 17 | 38 | 94 | 62 | 950|1100 | 392800 | 1900|2150 | A|B |
Have Questions? Call Us!
Toll Free: (877) 799-9400© 2026 dp Technologies Group. All rights reserved.