
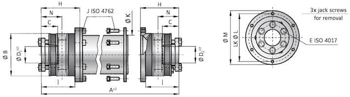
The ZA Line Shaft versions for 1500 - 4000 Nm feature tapered conical sleeves and captive jack screws. Lateral mounting and dismounting is accomplished through the removal of the intermediate tube section. The intermediate tube section is supported by gimbals within the clamping hub.
It has a rated operating temperature range of -30 to 120 °C (-22 to 212 °F). The bellows are made of flexible high grade stainless steel. Intermediate tube sections are made of steel; *composite CFK (Carbon Fiber) tube optional. Clamping hubs are made from steel.
These line shafts have a long distance spanning capability, with standard lengths of up to three meters (9.84 ft).
There is absolutely no backlash due to the frictional clamp connections. This is a torsionally rigid solution with misalignment compensation built into it.
Rated speeds vary depending on the shaft length, call us and we can help you select the perfect line shaft solution for your application.
These line shafts have an infinite service life and are maintenance free if the technical ratings are not exceeded.
LINE SHAFT WITH TAPERED
CONICAL SLEEVES
1500 - 4000 NM
*See above picture for reference
| Item | Length A | O.D. B | Length C | I.D. D1D2 | Screw E | Screw Tq E | Distance H | Distance I | Screw J | Screw Tq J | O.D. K | O.D. L | O.D. M | Shaft N | Rated Tq |
|---|---|---|---|---|---|---|---|---|---|---|---|---|---|---|---|
| ZA-1500 | 280 - 6000 | 157 | 61 | 35-70 | 6 x M12 | 70 | 98 | 82 | 10x M10 | 70 | 150 | 168 | 184 | 56 | 1500 |
| ZA-4000 | 280 - 6000 | 200 | 80,5 | 40-100 | 6 x M16 | 120 | 103,5 | 84 | 12x M12 | 120 | 160 | 193 | 213 | 61 | 4000 |
Have Questions? Call Us!
Toll Free: (877) 799-9400© 2026 dp Technologies Group. All rights reserved.